YX-300标准型变频器
上一个:E系列迷你型变频器 下一个:YX-1000系列矢量型变频器
详情介绍

YX-300变频器面板按键说明
1,1.1
YX-300变频器可引出面板开孔尺寸(单位:mm):以下三种面板可任意配置
2
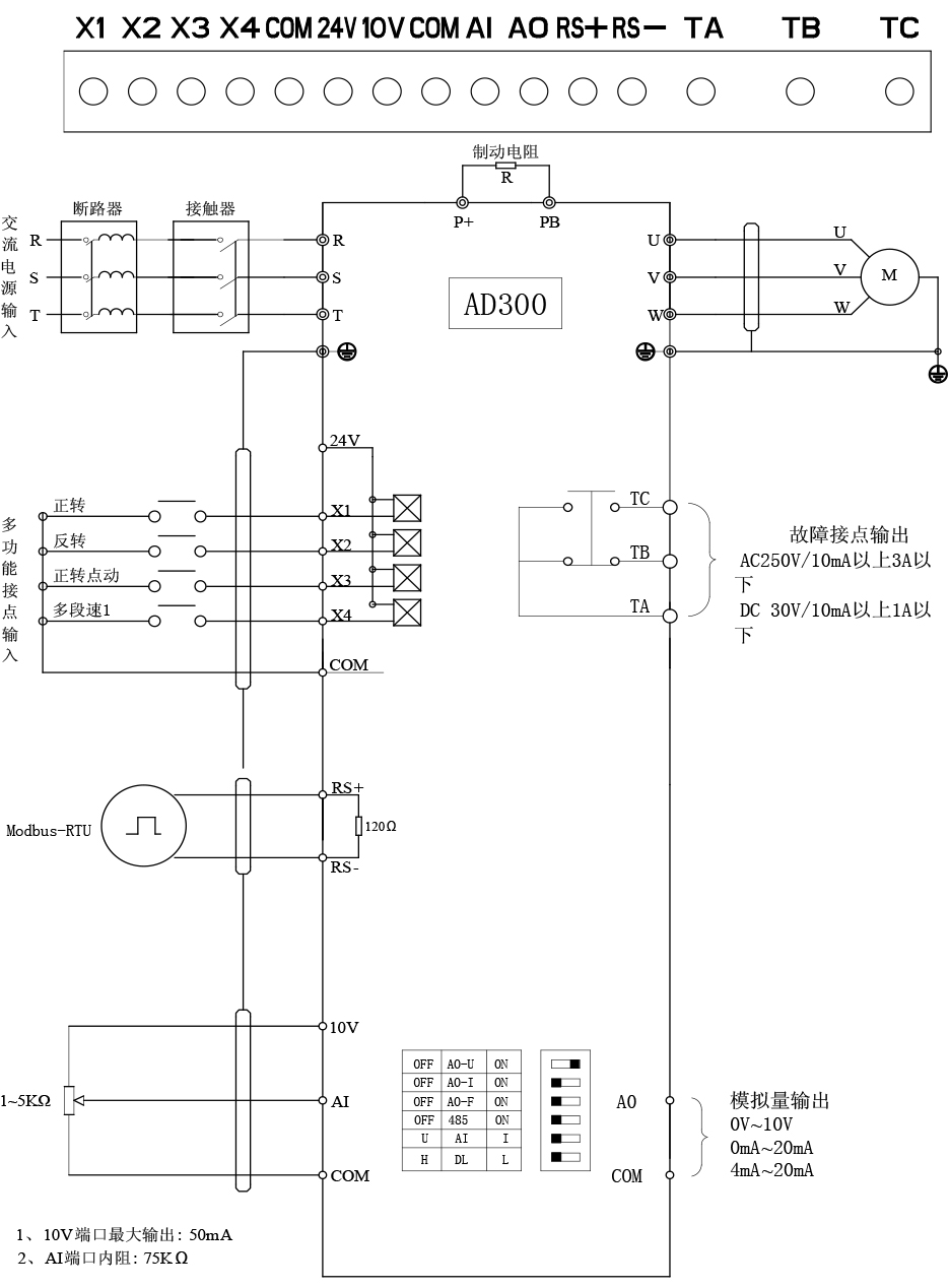
宇鑫YX-300变频器控制端子及接线图
3
YX-300控制端子功能说明
4
YX-300变频器外形及安装尺寸(适用于YX300系列所有产品) 5




版权所有©东莞市宇鑫机电有限公司
技术支持:东莞网站建设